止推滾珠系列
(Spherical roller thrust bearing)
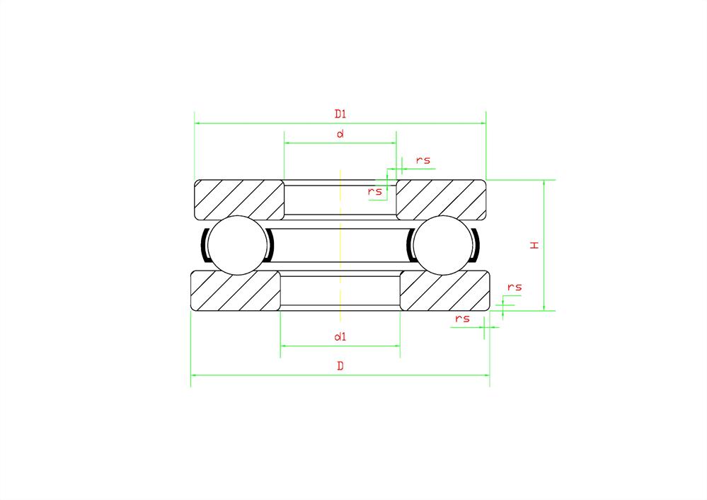
止推滾珠軸承部能承受徑向荷重。又因為潤滑劑會因為離心力而鬆散,故不宜用於高速回轉。如果用於水平軸時,必須注意內輪及外輪間之間隙不要使裝有珠子的保持架從軌溝中脫離。保持架有鋼板冲壓而成者,或高張力黃銅板或軟鋼車削而成者,由於它能與軌道分離,作業時必須注意勿使其變型。
5系列 止推滾珠型號表


29系列 止推軸承型號表
| 型號 | 主要尺寸(mm) | ||
| 內徑 d | 外徑 d | 寬度 T | |
| 2900 | 10 | 26 | 12 |
| 2901 | 12 | 28 | 12 |
| 2902 | 15 | 31 | 12 |
| 2903 | 17 | 35 | 12 |
| 2904 | 20 | 37 | 12 |
| 2905 | 25 | 45 | 14 |
| 2906 | 30 | 50 | 14 |
| 2907 | 35 | 55 | 16 |
| 2908 | 40 | 60 | 16 |
| 2909 | 45 | 68 | 16 |
| 2910 | 50 | 74 | 18 |
| 2911 | 55 | 78 | 18 |
| 2912 | 60 | 82 | 18 |
| 2913 | 65 | 90 | 20 |
| 2914 | 70 | 95 | 20 |
| 2915 | 75 | 100 | 20 |
F型 不帶溝道系列
FM型 帶溝道系列